穎鑫電子

科技有限公司:專業生產 微動開關|鼠標微動開關|無聲鼠標開關|產品遠銷:東莞/深圳/中山/惠州/佛山/山東/福建/成都/江蘇/上海/貴州/北京/天津
微動開關相關知識:
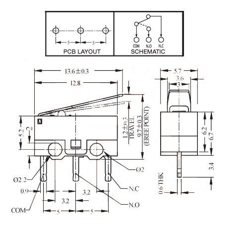
動開關是一種施壓促動的快速轉換開關,因為其開關的觸點間距比較小,故名微動開關,又叫靈敏開關。電氣文字符號為:SM。微動開關原理圖 微動開關圖片工作原理是: 外機械力通過傳動元件(按銷、按鈕、杠桿、滾輪等)將力作用于動作簧片上,當動作簧片位移到臨界點時產生瞬時動作,使動作簧片末端的動觸點與定觸點快速接通或斷開。 當傳動元件上的作用力移去后,動作簧片產生反向動作力,當傳動元件反向行程達到簧片的動作臨界點后,瞬時完成反向動作。微動開關的觸點間距小、動作行程短、按動力小、通斷迅速。其動觸點的動作速度與傳動元件動作速度無關。
歡迎收藏本站:m.yayamall.cn永久更新
如需幫助請致電:13827297626陳心龍
上一篇:
下一篇:微動開關MX-1288